| Status de disponibilidade: | |
|---|---|
| Quantidade: | |
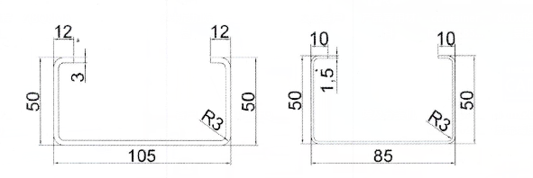
YX50-85/YX50-105
BMS

| Não. | Parâmetros principais | Parâmetros do moinho formador de rolo | ||
| 1. | Espessura do material | 1,5-3,0 mm | Estações Formadoras | 14 etapas |
| 2. | Largura de alimentação | De acordo com o desenho | Estrutura corporal | H400 |
| 3. | Material de aplicação | Chapa galvanizada | Espessura da parede lateral | 25mm |
| 4. | Padrão Elétrico | 380V50Hz/3F | Haste Diâmetro | 45# Aço,80φ/φ65mm |
| 5. | Diâmetro do desbobinador manual | 508±30 milímetros | Potência do motor principal | 18,5 kW |
| 6. | Força de rendimento | G550Mpa | Parafusos de parafuso | Nota 8.8 |
| 7. | Velocidade de formação | 25m/min | Largura efetiva | Como Design do Cliente |
| 8. | Sistema de controle | Sistema de controle CLP | Rolo | Aço Cr12, tornos CNC, tratamento térmico, revestimento de cromo duro. |
| 9. | Motor Hidráulico | 7,5 kW | Cor da máquina | Azul+Preto+Laranja |
Fluxo de Trabalho
Desbobinador Hidráulico (5Tons) → Guia de alimentação/dispositivo de nivelamento/perfuração →Pré-cortador hidráulico→ Moinho formador de rolo principal → Cortador de Poste Hidráulico → Sistema de controle CLP →Rack de saída (3M*2)
Exibição de componentes da máquina
Dispositivo de nivelamento
Poste para cortar, pare para cortar, tipo de design de lâmina de corte de duas peças, sem apagamento
Motor hidráulico:7,5 kW Pressão de corte: 0-16Mpa;
Material da ferramenta de corte: Cr12Mov(= SKD11 com pelo menos um milhão de vezes de vida útil de corte), tratamento térmico ao grau HRC58-62
Com guia de material de alimentação, estrutura do corpo feita de H400digite aço por soldagem
Eixos fabricados em aço 45#, Tratamento térmico de têmpera e revenido, cromagem dura.
Diâmetro =φ80/φ65mm, usinado com precisão
Gabinete de controle PLC
Pós-cortador
Produtos produzidos por máquina


| Não. | Parâmetros principais | Parâmetros do moinho formador de rolo | ||
| 1. | Espessura do material | 1,5-3,0 mm | Estações Formadoras | 14 etapas |
| 2. | Largura de alimentação | De acordo com o desenho | Estrutura corporal | H400 |
| 3. | Material de aplicação | Chapa galvanizada | Espessura da parede lateral | 25mm |
| 4. | Padrão Elétrico | 380V50Hz/3F | Haste Diâmetro | 45# Aço,80φ/φ65mm |
| 5. | Diâmetro do desbobinador manual | 508±30 milímetros | Potência do motor principal | 18,5 kW |
| 6. | Força de rendimento | G550Mpa | Parafusos de parafuso | Nota 8.8 |
| 7. | Velocidade de formação | 25m/min | Largura efetiva | Como Design do Cliente |
| 8. | Sistema de controle | Sistema de controle CLP | Rolo | Aço Cr12, tornos CNC, tratamento térmico, revestimento de cromo duro. |
| 9. | Motor Hidráulico | 7,5 kW | Cor da máquina | Azul+Preto+Laranja |
Fluxo de Trabalho
Desbobinador Hidráulico (5Tons) → Guia de alimentação/dispositivo de nivelamento/perfuração →Pré-cortador hidráulico→ Moinho formador de rolo principal → Cortador de Poste Hidráulico → Sistema de controle CLP →Rack de saída (3M*2)
Exibição de componentes da máquina
Dispositivo de nivelamento
Poste para cortar, pare para cortar, tipo de design de lâmina de corte de duas peças, sem apagamento
Motor hidráulico:7,5 kW Pressão de corte: 0-16Mpa;
Material da ferramenta de corte: Cr12Mov(= SKD11 com pelo menos um milhão de vezes de vida útil de corte), tratamento térmico ao grau HRC58-62
Com guia de material de alimentação, estrutura do corpo feita de H400digite aço por soldagem
Eixos fabricados em aço 45#, Tratamento térmico de têmpera e revenido, cromagem dura.
Diâmetro =φ80/φ65mm, usinado com precisão
Gabinete de controle PLC
Pós-cortador
Produtos produzidos por máquina


Máquina formadora de rolo para porta de veneziana Produto final
Caso de aplicação (1)
Caso de aplicação (2)

Máquina formadora de rolo para porta de veneziana Produto final
Caso de aplicação (1)
Caso de aplicação (2)