| Status de disponibilidade: | |
|---|---|
| Quantidade: | |
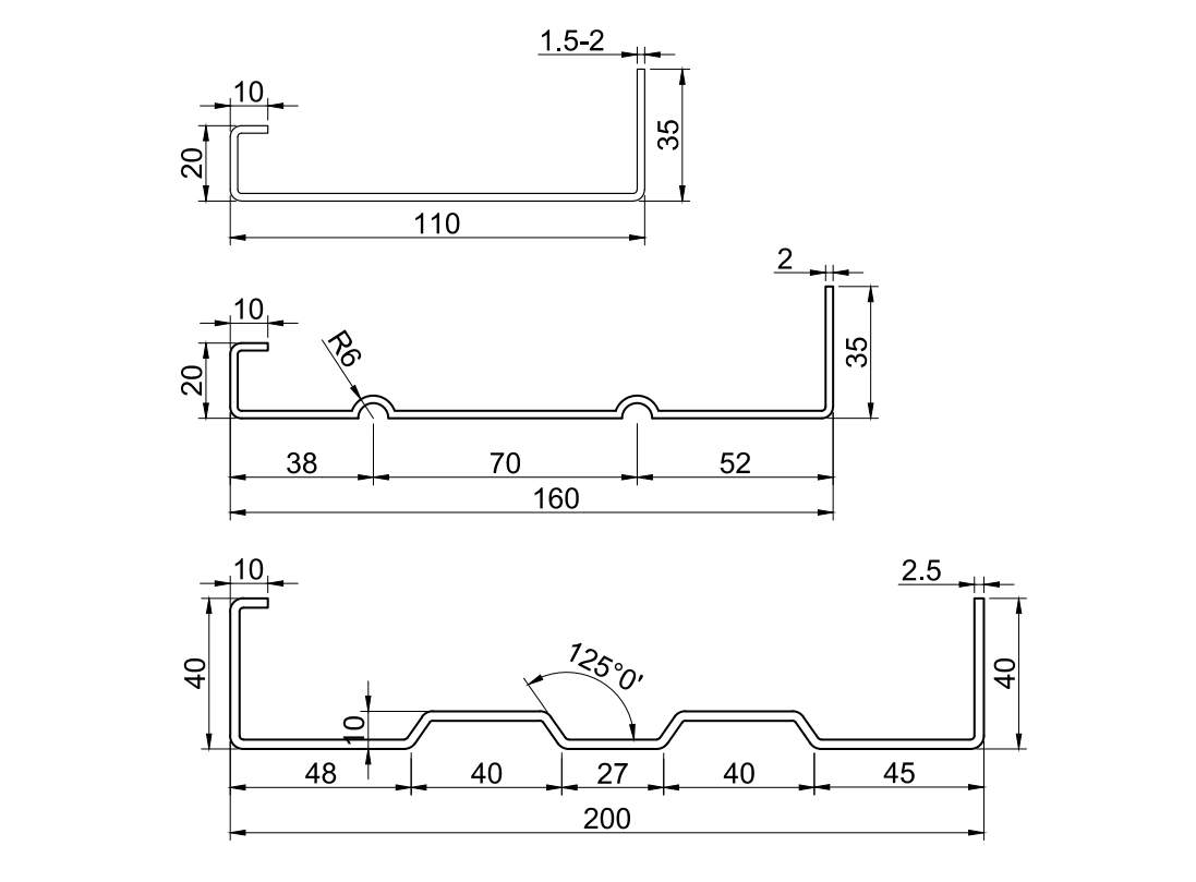
YX20,35,40-110.160.200
BMS
8455221000
Perfil
| Material | Material aplicável | Folha laminada a frio |
Espessura do material | 1,2 mm/1,5 mm/2,0 mm/2,5 mm | |
Com força de rendimento | 310-440Mpa | |
| Bobina | Largura de alimentação | 600mm |
Faixa de ID da bobina | 508mm±30mm | |
Capacidade | Máx.5 toneladas. | |
Máquina | Estrutura de base | Aço tipo H450 por soldagem. |
| Espessura da parede lateral | Q235 t25mm | |
Material do rolo | Aço GCr15 (= aço EN31), usinado com precisão, tratamento térmico, HRC58-62 | |
Estação de rolos | 18 etapas para formar | |
Diâmetro do eixo | ф80mm, processamento de alta frequência | |
Cortador | Dureza | Tratamento térmico ao grau HRC58-62 |
Tolerância de corte | ≤±1 mm | |
| Poder | Maneira de dirigir | Transmissão de engrenagem/roda dentada |
| Motor principal | 18,5KW, controle de velocidade de frequência | |
| Motor de bomba para cortador | 5,5 kW | |
Sistema de controle CLP | Inversor | Schneider Electric/DELTA (marca de Taiwan) |
Tela sensível ao toque | WEINVIEW (marca de Taiwan) | |
Codificador | KOYO (marca do Japão) ou OMRON (marca do Japão) | |
Controle de voltagem | 24 V |
1. Uma máquina para vários perfis: qualquer tamanho dentro da alma 60-200mm e flange 20-40mm), economizando investimento e espaço;Projeto de mudança automática de tamanho para alta eficiência de trabalho.
2. O rolo é temperado após usinagem fina com aço para rolamento GCr15 (= aço EN31) e cromo duro para longa vida útil de mais de 10 anos.
3. Moinho formador de rolo principal (mudança automática de tamanho)
Desbobinador Hidráulico 5T→Dispositivo de Nivelamento→Dispositivo guia servo motor→Perfurador
Sistema de formação de rolo→Dispositivo de corte de poste hidráulico→Rack de saída
Técnico especificaçãons
1) 5T Desbobinador hidráulico: um conjunto
Encolhimento e parada internos do furo da bobina de aço do controle hidráulico
Largura máxima de alimentação: 600mm
Faixa de ID da bobina:508±30mm,Diâmetro externo:1500mm
Motor da bomba de óleo:2,2 kW
Capacidade:Máx.5 toneladas
Adicione energia de alimentação automática e dispositivo de parada automática
Acima Três abaixo Quatro totalmente Sete dispositivo de nivelamento de rolo
Com guia de material de alimentação, estrutura do corpo feita de H450 digite aço por soldagem
Eixos fabricados em aço 45#, Tratamento térmico de têmpera e revenido, cromagem dura.Diâmetro=φ90mm, usinado com precisão
3) Servo Drive e Puncionadeira
125 toneladas Puncionadeira de ALTA VELOCIDADE antes da perfilagem, equipada com um conjunto de modelo de puncionamento. Puncionadeira de quatro lados com tampa de segurança e um lado com porta aberta.

4) M principaldor
Rolos fabricados em aço para rolamentos GCr15(=aço EN31), usinado com precisão, revestido com cromo duro; com espessura de 0,04 mm, superfície com tratamento espelhado (para maior vida útil e antiferrugem);
Estrutura corporal feita de 450#H digite aço por soldagem
Velocidade de formação: Cerca de 20m/min
5) Hidráulico Pós Cortador
Pós para cortar, parar para cortar, tipo de design de lâmina de corte de três peças
Motor hidráulico:5,5 kW;Pressão de corte:0-16Mpa
Material da ferramenta de corte:Cr12MoV (= aço SKD11),Tratamento térmico para HRC58-62
Com pelo menos um milhão de vezes de corte na vida
A potência de corte é fornecida pela estação hidráulica do motor principal
6) Sistema de controle CLP
Controle a quantidade e o comprimento de corte automaticamente.
Insira os dados de produção (lote de produção, unidades, comprimento, etc.) na tela de toque.
Pode terminar a produção automaticamente.
Combinado com: PLC, inversor, tela sensível ao toque, codificador, etc.
7) Rack de saída:
Sem alimentação, duas unidades, com rolos para facilitar a movimentação
8) Exposição de produtos
Método de embalagem:O corpo principal da máquina está nu e coberto por filme plástico (para proteger contra poeira e corrosão),carregado em contêiner e fixado firmemente em contêiner adequado por corda de aço e trava, adequado para transporte de longa distância.

Serviço pós-venda
1. O a garantia é 24 meses depois que o cliente recebe a máquina.
Dentro de 24 meses, enviaremos as peças de reposição ao cliente gratuitamente.
2. Oferecemos suporte técnico durante toda a vida útil de nossas máquinas.
3. Podemos enviar nossos técnicos para instalar e treinar os trabalhadores nas fábricas dos clientes com custo extra.

Perfil
| Material | Material aplicável | Folha laminada a frio |
Espessura do material | 1,2 mm/1,5 mm/2,0 mm/2,5 mm | |
Com força de rendimento | 310-440Mpa | |
| Bobina | Largura de alimentação | 600mm |
Faixa de ID da bobina | 508mm±30mm | |
Capacidade | Máx.5 toneladas. | |
Máquina | Estrutura de base | Aço tipo H450 por soldagem. |
| Espessura da parede lateral | Q235 t25mm | |
Material do rolo | Aço GCr15 (= aço EN31), usinado com precisão, tratamento térmico, HRC58-62 | |
Estação de rolos | 18 etapas para formar | |
Diâmetro do eixo | ф80mm, processamento de alta frequência | |
Cortador | Dureza | Tratamento térmico ao grau HRC58-62 |
Tolerância de corte | ≤±1 mm | |
| Poder | Maneira de dirigir | Transmissão de engrenagem/roda dentada |
| Motor principal | 18,5KW, controle de velocidade de frequência | |
| Motor de bomba para cortador | 5,5 kW | |
Sistema de controle CLP | Inversor | Schneider Electric/DELTA (marca de Taiwan) |
Tela sensível ao toque | WEINVIEW (marca de Taiwan) | |
Codificador | KOYO (marca do Japão) ou OMRON (marca do Japão) | |
Controle de voltagem | 24 V |
1. Uma máquina para vários perfis: qualquer tamanho dentro da alma 60-200mm e flange 20-40mm), economizando investimento e espaço;Projeto de mudança automática de tamanho para alta eficiência de trabalho.
2. O rolo é temperado após usinagem fina com aço para rolamento GCr15 (= aço EN31) e cromo duro para longa vida útil de mais de 10 anos.
3. Moinho formador de rolo principal (mudança automática de tamanho)
Desbobinador Hidráulico 5T→Dispositivo de Nivelamento→Dispositivo guia servo motor→Perfurador
Sistema de formação de rolo→Dispositivo de corte de poste hidráulico→Rack de saída
Técnico especificaçãons
1) 5T Desbobinador hidráulico: um conjunto
Encolhimento e parada internos do furo da bobina de aço do controle hidráulico
Largura máxima de alimentação: 600mm
Faixa de ID da bobina:508±30mm,Diâmetro externo:1500mm
Motor da bomba de óleo:2,2 kW
Capacidade:Máx.5 toneladas
Adicione energia de alimentação automática e dispositivo de parada automática
Acima Três abaixo Quatro totalmente Sete dispositivo de nivelamento de rolo
Com guia de material de alimentação, estrutura do corpo feita de H450 digite aço por soldagem
Eixos fabricados em aço 45#, Tratamento térmico de têmpera e revenido, cromagem dura.Diâmetro=φ90mm, usinado com precisão
3) Servo Drive e Puncionadeira
125 toneladas Puncionadeira de ALTA VELOCIDADE antes da perfilagem, equipada com um conjunto de modelo de puncionamento. Puncionadeira de quatro lados com tampa de segurança e um lado com porta aberta.

4) M principaldor
Rolos fabricados em aço para rolamentos GCr15(=aço EN31), usinado com precisão, revestido com cromo duro; com espessura de 0,04 mm, superfície com tratamento espelhado (para maior vida útil e antiferrugem);
Estrutura corporal feita de 450#H digite aço por soldagem
Velocidade de formação: Cerca de 20m/min
5) Hidráulico Pós Cortador
Pós para cortar, parar para cortar, tipo de design de lâmina de corte de três peças
Motor hidráulico:5,5 kW;Pressão de corte:0-16Mpa
Material da ferramenta de corte:Cr12MoV (= aço SKD11),Tratamento térmico para HRC58-62
Com pelo menos um milhão de vezes de corte na vida
A potência de corte é fornecida pela estação hidráulica do motor principal
6) Sistema de controle CLP
Controle a quantidade e o comprimento de corte automaticamente.
Insira os dados de produção (lote de produção, unidades, comprimento, etc.) na tela de toque.
Pode terminar a produção automaticamente.
Combinado com: PLC, inversor, tela sensível ao toque, codificador, etc.
7) Rack de saída:
Sem alimentação, duas unidades, com rolos para facilitar a movimentação
8) Exposição de produtos
Método de embalagem:O corpo principal da máquina está nu e coberto por filme plástico (para proteger contra poeira e corrosão),carregado em contêiner e fixado firmemente em contêiner adequado por corda de aço e trava, adequado para transporte de longa distância.

Serviço pós-venda
1. O a garantia é 24 meses depois que o cliente recebe a máquina.
Dentro de 24 meses, enviaremos as peças de reposição ao cliente gratuitamente.
2. Oferecemos suporte técnico durante toda a vida útil de nossas máquinas.
3. Podemos enviar nossos técnicos para instalar e treinar os trabalhadores nas fábricas dos clientes com custo extra.
